DOLAR
41,6531
EURO
48,8505
ALTIN
5.165,86
BIST
11.082,63
Adana Adıyaman Afyon Ağrı Aksaray Amasya Ankara Antalya Ardahan Artvin Aydın Balıkesir Bartın Batman Bayburt Bilecik Bingöl Bitlis Bolu Burdur Bursa Çanakkale Çankırı Çorum Denizli Diyarbakır Düzce Edirne Elazığ Erzincan Erzurum Eskişehir Gaziantep Giresun Gümüşhane Hakkari Hatay Iğdır Isparta İstanbul İzmir K.Maraş Karabük Karaman Kars Kastamonu Kayseri Kırıkkale Kırklareli Kırşehir Kilis Kocaeli Konya Kütahya Malatya Manisa Mardin Mersin Muğla Muş Nevşehir Niğde Ordu Osmaniye Rize Sakarya Samsun Siirt Sinop Sivas Şanlıurfa Şırnak Tekirdağ Tokat Trabzon Tunceli Uşak Van Yalova Yozgat Zonguldak
İstanbul
Az Bulutlu
23°C
İstanbul
23°C
Az Bulutlu
Cuma Hafif Yağmurlu
25°C
Cumartesi Az Bulutlu
21°C
Pazar Parçalı Bulutlu
22°C
Pazartesi Parçalı Bulutlu
22°C

Bayraktar AKINCI’nın TEBER-83 Güdüm Kitiyle Gerçekleştirdiği Atış Testi Başarıyla Tamamlandı

Bayraktar AKINCI’nın TEBER-83 Güdüm Kitiyle gerçekleştirdiği atış testi başarıyla tamamlandı. Türkiye’nin savunma gücüne katkı sağlayan önemli bir adım.

Bayraktar AKINCI’nın TEBER-83 Güdüm Kitiyle Gerçekleştirdiği Atış Testi Başarıyla Tamamlandı
10.05.2025 12:34
A+
A-

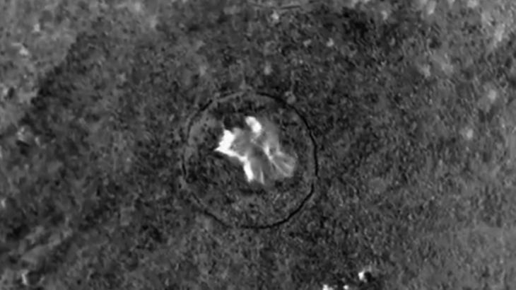
Uluslararası savunma ve havacılık alanında önemli bir gelişme yaşandı. Baykar’ın milli imkanlarla geliştirdiği Bayraktar AKINCI TİHA, TEBER-83 güdüm kitiyle gerçekleştirilen ilk atış testinde üstün başarı gösterdi. Bu heyecan verici görüntüler, Baykar’ın resmi X hesabında paylaşıldı ve savunma sanayimizin gücünü bir kez daha ortaya koydu.

ROKETSAN’ın geliştirdiği TEBER-83 güdüm kiti ile ilk kez yapılan bu atış, hem teknolojik altyapının hem de milli mühimmatların entegrasyonunun başarısını simgeliyor. Bu kritik test, Türkiye’nin yerli ve milli savunma sanayinde önemli bir dönüm noktası oldu.

Cumhurbaşkanlığı Savunma Sanayii Başkanı Haluk Görgün, yaptığı sosyal medya paylaşımında, Bayraktar AKINCI’nın TEBER-83 güdüm kitiyle gerçekleştirdiği bu ilk atışın, Gök Vatan’ın vurucu gücüne güç kattığını vurguladı. Ayrıca, bu gelişmenin Türkiye’nin savunma teknolojilerinde yeni bir sayfa açtığını belirtti.

Görgün, sözlerini şu şekilde sürdürdü: “Baykar ve ROKETSAN’ın mühendislik vizyonu, Milli Teknoloji Hamlesi’nin stratejik hedeflerine ulaşmadaki kararlılığını gözler önüne serdi. Yüksek teknoloji, tam isabet ve yerli akıl bir araya gelerek, Türkiye’nin savunma alanındaki bağımsızlığını pekiştiriyor. Baykar ve ROKETSAN’ı yürekten kutluyorum.”

Milli Mühimmatların Entegrasyon Sürecinde Yeni Bir Aşama

Mart ayında toplam 100 bin uçuş saatini başarıyla tamamlayan Bayraktar AKINCI, milli mühimmatların entegrasyon sürecinde de önemli ilerlemeler kaydediyor. Bu kapsamda, farklı milli mühimmatlar ve güdüm sistemleriyle uyumluluk testleri başarılı bir şekilde gerçekleştirildi.

Bugüne kadar, Bayraktar AKINCI platformu ile MAM-L, MAM-L TV, MAM-T, MAM-T IIR/TV, MAM-C, TOLUN, TOLUN IIR, TEBER-81, TEBER-82, LAÇİN 82 LGK-81, LGK-82, HGK-82, Gökçe güdüm kiti, Gözde güdüm kiti, KGK-82-SİHA, İHA-230 süpersonik füze, TV Arayıcı ve lazer arayıcı başlıklı İHA-122 süpersonik füzesi ve ÇAKIR seyir füzesi gibi milli ve özgün mühimmatlar başarıyla test edilmiştir.

Hedef, bu yeniliklerle Türkiye’nin savunma sanayinde bağımsızlığını pekiştirmek ve uluslararası alanda rekabet gücünü artırmaktır. Ayrıca, Baykar tarafından ihracatı planlanan 11 ülke ile yapılan sözleşmeler, ülkemizin savunma teknolojilerinin uluslararası arenada tanıtılmasına katkı sağlıyor.

Bayraktar AKINCI’nın bu gelişmeleri, kritik görevlerde etkin kullanımıyla ve teknolojik üstünlüğüyle, dünyanın farklı bölgelerinde Türkiye’nin savunma gücünü gösteriyor ve gelecekteki stratejik hedeflere ulaşmada önemli bir adım olarak değerlendiriliyor.

Yorumlar

Henüz yorum yapılmamış. İlk yorumu yukarıdaki form aracılığıyla siz yapabilirsiniz.